Video tal-prodotti
HM5003 Vidjow ta 'Introduzzjoni tat-Telf tat-Telf tal-Kapaċità tat-Transformer
Ħarsa ġenerali u Applikazzjoni tal-ProdottXenarji

It-tester tal-kapaċità tat-transformer HM5003 huwa apparat professjonali għall-ittestjar tal-post li jista 'jkejjel malajr u b'mod preċiż il-kapaċità nominali ta' transformer mingħajr ma japplika kurrent kbir. Dan il-prodott għandu skrin wiesa'-LCD bil-kulur bl-Ingliż, b'tħaddim ta' menu sempliċi u veloċi u interface faċli għall-utent-. L-istrument għandu batterija rikarikabbli mibnija-, li tippermettilu li jaħdem mingħajr provvista ta' enerġija esterna. Ċarġ sħiħ jippermetti kejl kontinwu ta 'aktar minn 100 transformer. Dan huwa strument tal-kejl multi-funzjonali, ekwivalenti għall-funzjonijiet ta 'żewġ strumenti ordinarji: tester tal-kapaċità tat-transformer u tester tal-parametri tat-transformer. Jista' jintuża biex jittestja l-kapaċità tat-transformer, it-tip, l-ebda-kurrent ta' tagħbija, l-ebda-telf ta' tagħbija, telf ta' tagħbija, vultaġġ ta' impedenza, u parametri oħra.
Parametru tal-Prodotti

1.Il-firxa tal-output tal-batterija mibnija-
Vultaġġ: 0-10V
Kurrent: 0-10A
2. Il-firxa tad-dħul tas-sors tal-enerġija tat-test karatteristika
Vultaġġ: 0-750V
Kurrent: 0-100A
3. Preċiża tat-test
Vultaġġ, kurrent: ± 0.2%
Power:±0.5%(CosΦ>0.1), ±1.0%(0.02
4. Temperatura tax-xogħol: -20 grad -+60 grad
5. Ir-rekwiżit ta 'ċarġer
Provvista elettrika:AC160V-265V
Output tal-adapter:12.6V 1000mA
6. Insulazzjoni
⑴ Reżistenza ta 'insulazzjoni bejn il-kapaċità, il-vultaġġ, il-kurrent għall-għeluqAkbar minn jew ugwali għal 100MΩ
⑵ iġorru l-frekwenza tal-qawwa 2kV (valur effettiv) bejn il-
qawwa tad-dħul u egħluq tal-magna, il-ħin tal-ittestjar huwa ta 'minuta.
7. Volum: 32cm×25cm×12cm
8. Piż:2.5KGS
Ħarsa ġenerali tal-Interface
1.Dijagramma tal-Panel Operattiv
Il-pannell tat-tħaddim ta 'dan l-istrument jidher fil-Figura 1: Jinkludi printer, skrin LCD, tastiera, portijiet ta' konnessjoni tat-test tal-kapaċità, terminali tat-test karatteristiċi, u interfaces ta 'komunikazzjoni għat-tlugħ tad-dejta.

Figura 1
2. Menu Prinċipali
Wara li jixgħel is-swiċċ tal-enerġija, l-apparat jidħol awtomatikament fl-interface tal-menu prinċipali (Figura 2).
Il-menu prinċipali jinkludi primarjament ħames funzjonijiet: "Test tal-Kapaċità", "Nru-Telf ta' Tagħbija," "Telf ta' Tagħbija", "Mistoqsija ta' Ġestjoni," u "Settings tas-Sistema." L-utenti jistgħu jagħżlu l-funzjoni mixtieqa billi jużaw it-tasti "↑" u "↓", imbagħad agħfas iċ-ċavetta "Ikkonferma" biex tidħol. Fl-istess ħin, l-istrument juri b'mod preċiż il-ħin tas-sistema attwali bbażat fuq iċ-ċippa ta 'l-arloġġ intern tiegħu.

Figura 2
3.Wiring Metodu
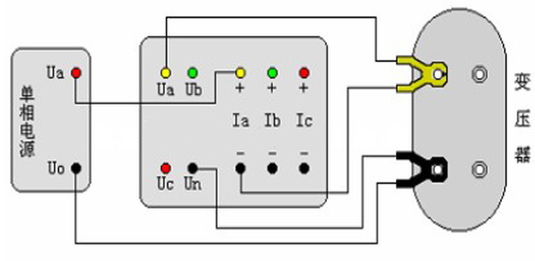
Metodu tal-Wiring għall-Kejl ta' Telf f'Ċirkwit Qasir ta'-Transformers ta' Fażi Unika li Jużaw Provvista tal-Enerġija ta'-Fażi Unika
Il-konfigurazzjoni tal-wajers hija essenzjalment identika għal dik użata biex jitkejjel it-telf ta' ebda-tagħbija ta' transformers ta'-fażi waħda bi provvista tal-enerġija ta'-fażi waħda. Irreferi għall-Figuri 3, 4, u 5. L-unika differenza hija li waqt l-ittestjar ta' telf ta' ċirkwit qasir-, in-naħa ta' vultaġġ għoli-tipikament hija indikata bħala t-terminal tat-test, filwaqt li n-naħa ta' vultaġġ-baxx isservi bħala t-terminal mhux- tat-test. Barra minn hekk, it-terminal mhux-test jeħtieġ short-ċirkwit manwali.

Figura 3 Dijagramma Skematika tal-Metodu ta' Konnessjoni Diretta għall-Ittestjar tat-Tagħbija Uniku-Fażi Nru-

Figura 4 Dijagramma tal-Wiring għal Konnessjoni Esterna ta' PT u CT f'Ittestjar tat-Tagħbija Uniku-Fażi Nru-

Figura 5 Dijagramma tal-Wiring għal Konnessjoni Esterna ta' CT f'Ittestjar tat-Tagħbija Uniku-Fażi Nru-
Installazzjoni u Tneħħija ta' Software
Installazzjoni tas-Sewwieqa fuq Windows XP:
L-ewwel, installa s-sewwieqa. Qabbad il-kejbil tad-data fornut mat-tester mal-port USB tal-kompjuter.Il-pront tas-sistema jidher kif muri fil-Figura 1.
Figura 1 Bidu tal-Installazzjoni tas-Sewwieq

Agħżel "Installa minn lista jew post speċifiku (Avvanzat) (S)" u kklikkja "Li jmiss." Jidher l-iskrin muri fil-Figura 2.
Figura 2: Għażla tal-Metodu tat-Tiftix tas-Sewwieq

Ikklikkja "Ibbrawżja" u naviga fid-direttorju "CP210x_Drivers" fuq is-CD ipprovdut mal-istrument, kif muri fil-Figura 3.
Figura 3: Għażla tad-Direttorju tas-Sewwieq

Imbagħad ikklikkja "Li jmiss," li turi l-Figura 4. Irrepeti dan il-proċess għal darb'oħra biex tlesti l-installazzjoni tas-sewwieq.
Figura 4: Installazzjoni tas-sewwieq Lesta

Deskrizzjoni tal-Prodotti












It-tags Popolari: tester tat-telf tal-kapaċità tat-transformer, iċ-Ċina manifatturi tat-tester tat-telf tal-kapaċità tat-transformer, fabbrika





















